IMG_0262.JPG
Кто знает что это за прибор?
Очевидно же : индикатор резонанса.
Это не прибор, это только индикатор.
А прибор вот, например
А прибор вот, например
Барыжить этим даже в СССР было бессмысленно)Андрей М писал(а) ↑ 06 мар 2020 13:36: Индикатор имеет какую-то цену?
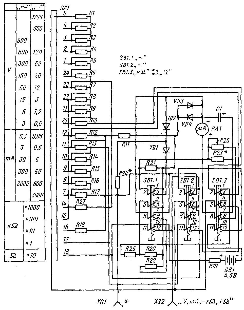
Магнитоэлектрический вольтметр/амперметр. Шунт есть ли...
Сопротивление прибора замерить - если высокое вольтметр, если низкое амперметр
Дуга с палкой - тип системы.
Класс точности не указан.
Сопротивление прибора замерить - если высокое вольтметр, если низкое амперметр
Дуга с палкой - тип системы.
Класс точности не указан.
Вы, поди, и этого прибора не помните, привыкли к мультиметрам!

Там ручку крутить надо было аки связной на войне.
Сейчас школьнику выдай, так он не поймет "а што эта?"

Там ручку крутить надо было аки связной на войне.
Сейчас школьнику выдай, так он не поймет "а што эта?"
а чего его помнить то? там все написаноSplinter K-второй писал(а) ↑ 06 мар 2020 15:06: и этого прибора не помните
Как написатель разных инструкций ответственно заявляю: даже если написано, что А - это А, а Б - это Б, то все равно найдутся оригиналы, которые А попытаются сделать Б, а Б - надо А.
Я в 14 лет впервые ознакомился, до сих пор помню.
А вот дети мои не знают уже.
зачем это знать? если сейчас все намного проще и точнее
А попи$дить поговорить)MoNk писал(а) ↑ 06 мар 2020 15:37: зачем это знать? если сейчас все намного проще и точнее
Класс точности легко определяется по пределу измерения и цене деления шкалы...Пойманый_маньяк писал(а) ↑ 06 мар 2020 14:22: Класс точности не указан
Еще логарифмической линейкой им предложи считать...Splinter K-второй писал(а) ↑ 06 мар 2020 15:06: Сейчас школьнику выдай, так он не поймет "а што эта?"
Нынче и мегомметры не такие.SergeB писал(а) ↑ 06 мар 2020 15:35: мультиметр мегометр не заменит
В таком формфакторе не видел, большие цифровые с аккумулятором видел.Злец писал(а) ↑ 06 мар 2020 16:58: Нынче и мегомметры не такие.
Но на днях мне линию проверяли аттестованным стрелочным прибором с динамомашиной
=====================Андрей М писал(а) ↑ 06 мар 2020 13:36: Индикатор имеет какую-то цену?
Имеет. 100 р.
Отличная головка от ГИРа.
Возможно вопрос в требуемом диапазоне значений.SergeB писал(а) ↑ 06 мар 2020 17:04: В таком формфакторе не видел, большие цифровые с аккумулятором видел.
У этого Флюка - до 2200 МОм при 1000 В, до 550 МОм при 500 В. Плюс омметр и вольтметр.
Почему нет? Их полно и все исправны.SergeB писал(а) ↑ 06 мар 2020 17:04: аттестованным стрелочным прибором с динамомашиной
Класс точности так не определяется (хотя если он не указан, то используются предел и цена деления, но это от безысходности, а не от того, что она именно такая с гарантией). Иначе бы не было никакого смысла его указывать на приборах.Злец писал(а) ↑ 06 мар 2020 16:58: Класс точности легко определяется по пределу измерения и цене деления шкалы...
Класс точности это погрешность, то есть на сколько прибор может "врать".
А уж сколько на нем делений нарисовано - второй вопрос. Погрешность может и совпадать с 1/2 деления и не совпадать.
Вот например прибор.
Показать

Но классы точности для постоянного 2.5, для переменного 4 (справа от подстройки стрелки цифры).
А для переменного еще и шкала нелинейная бонусом
Для потребителей - да!MoNk писал(а) ↑ 06 мар 2020 15:37: зачем это знать? если сейчас все намного проще и точнее
Для будущих инженеров - "начальная ступенька"....
Ну, пожалуй, да. Хотя в большинстве случаев для вменяемых приборов (а не китайских поделок) такое определение абсолютной погрешности дает значение, близкое к паспортному.Пойманый_маньяк писал(а) ↑ 06 мар 2020 20:28: используются предел и цена деления, но это от безысходности
Скажем, для образцовых манометров МО и вакуумметров ВО с классом точности 0,4 определение "по шкале" дает те же 0,4% (шкала в 250 единиц).
Что касается указанного тобой агрегата, следует учитывать его многошкальность и прочие, как ты выразился, бонусы. Для такого прибора простые способы определения погрешности плохо применимы. Особенно для омметра и килоомметра с пределом "бесконечность".
Да не.Злец писал(а) ↑ 06 мар 2020 21:48: Для такого прибора простые способы определения погрешности плохо применимы.
Просто постоянный ток - стабилен, а переменный - синусоида.
Которую для измерения сначала выпрямляют, через какой-нибудь диод cо сглаживающим конденсатором, или еще как-то.
Что вносит свои погрешности на тех же диапазонах, с теми же в общем младшими значащими разрядами/ценами деления.
Например Fluke 289
Диапазоны и погрешность измерений
Хотя диапазоны те-же, число знаков то-же...Постоянное напряжение
Максимальное постоянное напряжение, U- 1000 В
Минимальное постоянное напряжение, U- 0.05 В
Погрешность показаний U- (% + единицы счета) 0,025% + 5
Переменное напряжение
Максимальное переменное напряжение, U~ 1000 В
Минимальное переменное напряжение, U~ 0.05 В
Погрешность показаний U~ (% + единицы счета) 0,4% + 40
https://www.dns-shop.ru/product/0e672de ... teristics/
Там просто стоит АЦП (или микроамперметр в случае Ц4324).
Показать

А вот сколько вносит погрешности преобразование - на примере Fluk'а из переменного в постоянное преобразуется с увеличением погрешности на 3.75%, а "не значащих младших разрядов" в 8 раз.
Поэтому кстати точность измерения чего угодно не будет лучше точности измерения исходного напряжения или тока.
Омметр питается от батареи и замеряет все то-же напряжение/ток падающее на эталонном резисторе, подключенном последовательно измеряемому или по схеме измерительного моста. А бесконечность это просто обрыв - тока не идет, напряжение на резисторе ноль вольт.Злец писал(а) ↑ 06 мар 2020 21:48: Особенно для омметра и килоомметра с пределом "бесконечность".
И уменьшение точности при приближении к обрыву - влияние этого делителя. Пока измеряются сопротивления, сопоставимые по номиналу с эталонным/прецизионным - все в порядке. Но чем измеряемые сопротивления больше, тем меньшее напряжение падает на образцовом сопротивлении (меньший ток идет), и тем соответственно хуже точность.
Современные не выпрямляют ничего, очень много места занимает схема, плюс очень высокие требования к элементам при измерении высоких напряжений. Сейчас используются реактивки. Там все гораздо проще.Пойманый_маньяк писал(а) ↑ 07 мар 2020 11:10: Которую для измерения сначала выпрямляют
Зная реактивное сопротивление цепи замеряется ток падением напряжения. В последствии контроллер проводит вычисление входного напряжения.
Топикстартер решил выручить некую сумму от продажи измерительной магнитоэлектрической головки от гетеродинного индикатора резонанса 50-х годов.
Я намекнул ему, что на пиво он получит
Но обсуждение уже настоятельно требует изменения заголовка ветки - например, " Измерительные приборы "
Я намекнул ему, что на пиво он получит
Но обсуждение уже настоятельно требует изменения заголовка ветки - например, " Измерительные приборы "
№ 24: Радиоспециалист,
Зануда.
Зануда.
На погрешность это в любом случае влияет, но интересно.Shihkin писал(а) ↑ 07 мар 2020 12:45:Современные не выпрямляют ничего, очень много места занимает схема, плюс очень высокие требования к элементам при измерении высоких напряжений. Сейчас используются реактивки. Там все гораздо проще.Пойманый_маньяк писал(а) ↑ 07 мар 2020 11:10: Которую для измерения сначала выпрямляют
Зная реактивное сопротивление цепи замеряется ток падением напряжения. В последствии контроллер проводит вычисление входного напряжения.
Можно пруфов или лучше схем?
Да это все понятноРадиоспециалист писал(а) ↑ 07 мар 2020 12:53: Топикстартер решил выручить некую сумму от продажи измерительной магнитоэлектрической головки от гетеродинного индикатора резонанса 50-х годов.
Я намекнул ему, что на пиво он получит![]()
И более того, полагаю никто совершенно не против данной сделки.
По крайней мере цифр больше никто не озвучивал и не озвучивает.
Что в этом моменте еще можно обсуждать-то, ну не согласие или несогласие Андрея М же?
Зачем ты мне объясняешь очевидные вещи?Пойманый_маньяк писал(а) ↑ 07 мар 2020 11:10: Просто постоянный ток - стабилен, а переменный - синусоида.
Которую для измерения сначала выпрямляют
Это сразу видно из нелинейной шкалы переменного тока и уменьшения нелинейности по мере роста измеряемой величины.
Тем не менее, сделать точный прибор на одну измеряемую величину с одной шкалой это не мешало. Хотя бы и на переменный ток/напряжение.
А многошкальный с одной стрелкой - сложнее, да и задачи такой не ставилось. У него задача совместить в одном приборе несколько измерений, пусть и за счет роста погрешности.
Опять азбуку принёс...Пойманый_маньяк писал(а) ↑ 07 мар 2020 11:10: Омметр питается от батареи и замеряет все то-же напряжение/ток падающее на эталонном резисторе
Я так-то в курсе, как сопротивление измеряют. И по двухпроводной схеме, и по четырехпроводной.
Отнюдь. Это влияние самого принципа косвенного измерения по обратной величине. При неизменной погрешности измерения тока погрешность измерения сопротивления (обратной величины для прямого измерения тока) неизбежно будет увеличиваться.Пойманый_маньяк писал(а) ↑ 07 мар 2020 11:10: И уменьшение точности при приближении к обрыву - влияние этого делителя.
И вообще я писал не о погрешности измерения в данном случае, а о принципиальной невозможности вычислить точность прибора по шкале в этом случае.
Добавлю: для низких напряжений - тоже. Только требования к другим параметрам.Shihkin писал(а) ↑ 07 мар 2020 12:45: Современные не выпрямляют ничего, очень много места занимает схема, плюс очень высокие требования к элементам при измерении высоких напряжений
Я не объясняю.Злец писал(а) ↑ 07 мар 2020 14:14: Зачем ты мне объясняешь очевидные вещи?
Я скорее перечисляю, для выявления места расхождения во мнениях.
Или как предлагается его устанавливать?
Если что-либо не вызывает нареканий - считай, что я просто люблю трепаться.
Злец писал(а) ↑ 07 мар 2020 14:14: Тем не менее, сделать точный прибор на одну измеряемую величину с одной шкалой это не мешало. Хотя бы и на переменный ток/напряжение.
Да о каком большинстве случаев речь, для точного прибора, отдельно измеряющего переменное напряжение или ток?Злец писал(а) ↑ 06 мар 2020 21:48: Хотя в большинстве случаев для вменяемых приборов (а не китайских поделок) такое определение абсолютной погрешности дает значение, близкое к паспортному.
Что это за прибор такой, точно измеряющий только переменное напряжение? У него название какое-то есть, которое можно в Гугл вбить?
Или вообще о чем именно ты говоришь, я все никак в толк не возьму.
Keithley 2001 за 500 тысяч рублей - вменяемый прибор, не китайская подделка?В заключение следует отметить следующее.
Погрешности измерения токов (постоянных и переменных) приборами одного типа и в равных условиях всегда больше погрешностей измерения напряжений (и постоянных, и переменных). Погрешности измерения переменных токов и напряжений приборами одного типа и в равных условиях всегда больше погрешностей измерения постоянных токов и напряжений.
https://bstudy.net/689861/tehnika/izmer ... ryazheniya
ppm - 1/1000000 (но у него шкала 7.5 знаков, так что и одну миллионную шкалы будет видно).
А уж 4% от измеряемой величины + 0.2% от диапазона так видно будет просто замечательно - погрешность для AC, 20 вольт, 0.2 МГц.
Для DC ppm, для AC нет.
У вас нет необходимых прав для просмотра вложений в этом сообщении.
Кто сейчас на конференции
Сейчас этот форум просматривают: нет зарегистрированных пользователей и 3 гостя